LF Technologies logo, test bench manufacturer and designer
Rotary/Linear Actuator Module
HomeSpecial machinesPilot / Control machineRotary/Linear Actuator Module

Rotary/Linear Actuator Module

Ref : Mo-C-Actionneur
  • Ease of integration
  • Stand-alone system
  • Position, speed and effort management;
  • Can be controlled by an external setpoint (slave settings)
Do you have a project for a special machine?

Products tested

Sector of activity

FUNCTIONALITY

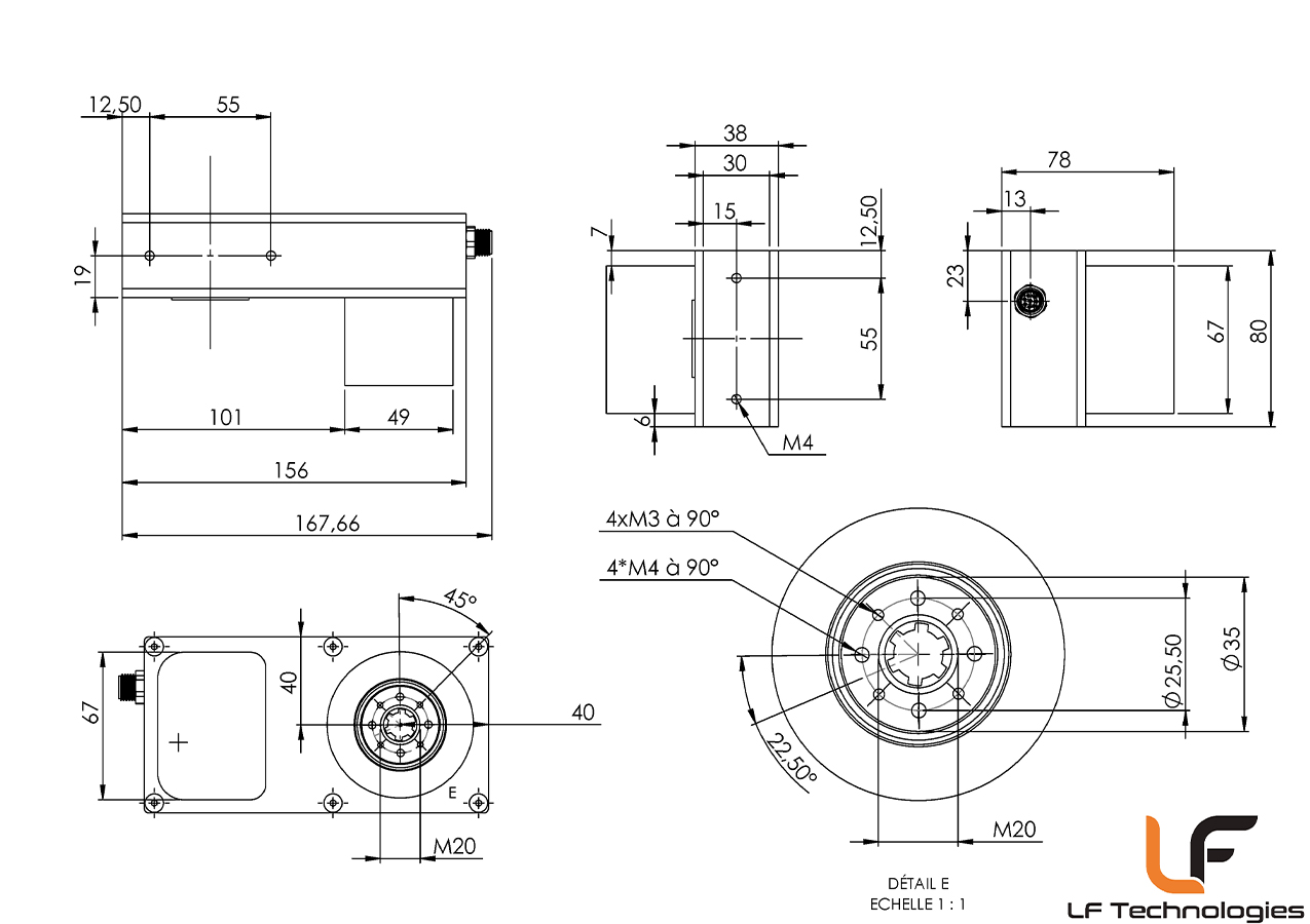
Rotary actuator

Description

The rotary actuator is an actuator with torque measurement and absolute angular position measurement over 1 revolution and incremental measurements (for several revolutions)
The rotary actuator is used to perform rotary movements.
It can be controlled in position, speed and torque.
It is equipped with a splined hollow shaft that can accommodate a variety of tools.
It can also be coupled to a linear actuator to combine translational and rotational movements (e.g. to operate single-control mechanical mixing valves).

Material characteristics

  • Max. torque
    from 3.7 to 25 N.m
  • Max. speed
    30 to 214 rpm
  • Position, speed or torque control
  • Transmission system possible by splines or the plate equipped with 4 tapped holes
  • M12 8-pin connection (power + communication)
  • Possibility to use a through shaft
  • Integrated control electronics
  • Movement parameterisation via dedicated application or direct Ethernet communication for integration

Linear actuator

Description

The linear actuator is an electric cylinder equipped with a force measurement and an absolute position measurement
The linear actuator can be used for translational movements and can be controlled in terms of position, speed and force.
It is equipped with a splined hollow shaft that can accommodate a variety of tools. It can also be coupled to a rotary actuator to combine translational and rotational movements (e.g. to operate single-control mechanical mixing valves).

Material characteristics

  • Max. force
    from 179 to 325 N.
  • Max. speed
    190 to 300 mm/s
  • Stroke 55 to 245 mm
  • Position, speed or force control
  • M12 8-pin connection (power + communication)
  • Integrated control electronics
  • Movement parameterisation via dedicated application or direct Ethernet communication for integration

Technology

  • Stepper motor
  • Integrated dimmer
  • Absolute position measurement
  • Integrated force and torque measurement

Applications integrating this module

Would you like to find out more about our special production machines ?
Find out more about the applications of our special machines for our customers.

A test bench for monitoring the performance of turbines, ensuring the repeatability and reproducibility of the control process by automating operations.

Turbine control bench

Test bench verifying the conformity of engines and turbines for medical respiratory equipment as part of a Research & Development process.

See project
Global vision of the assembly and control bench

Bench for mounting and test of medical flowmeters

Test bench verifying the conformity of engines and turbines for medical respiratory equipment as part of a Research & Development process.

See project
Control bench for medical pressure regulators and flowmeters

Control bench for medical pressure regulators and flowmeters

Bench designed by LF Technologies for the production control of medical pressure regulators and flowmeters. Ensures the traceability of each operation.

See project

ADD-ON MODULES

Explore our add-on modules to get the most out of your special machine !
Discover innovative solutions to further enrich your experience and optimize your results.